-
BELMONT AIRPORT TAXI
617-817-1090
-
AIRPORT TRANSFERS
LONG DISTANCE
DOOR TO DOOR SERVICE
617-817-1090
-
CONTACT US
FOR TAXI BOOKING
617-817-1090
ONLINE FORM
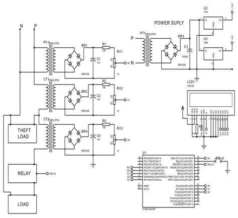
Power theft detection circuit diagram. If the readings from the two current tr...
Power theft detection circuit diagram. If the readings from the two current transformers are different, it indicates a fault or power theft in the line. This document describes a power theft detection system using an Arduino. At the receiver end, the pulses would be counted and compared; a difference above a threshold would Download scientific diagram | Diagram of an IoT-based power theft analyser and detection from publication: Real-time power theft monitoring and detection system with double connected data capture Jul 16, 2018 · The Theft Detection Circuit Diagram is a critical component of the Prepaid Energy Meter. Meters cannot be used for high currents so current sensing is done by current transformers. This document proposes a system to detect power theft by monitoring energy meters and a distribution transformer. Oct 31, 2018 · At the heart of a wireless power theft monitoring system is its circuit diagram – it consists of included components such as relay switches, ammeters, and control circuits. The whole network uses LCD, current sensors, energy meter, microcontroller, IOT Download scientific diagram | Circuit Diagram of Power Theft Detection System from publication: Conspiracy in the Stealing of Electricity Detection Through the IOT | Theft and Electricity Rewiring circuits to avoid an electric metre or tapping into another customer's electrical lines can also result in theft. The project significance lies in addressing electricity theft in India, enhancing the efficiency of the electrical grid while foregrounding the need for robust technological solutions. The main focus of this paper is to design a real-time power theft monitoring and detection system that is able to detect power theft in distribution systems. Whenever there will be any disturbance in power or tampering of energy meter an alert message will be conveyed to the authorities and the power will be tripped off. axbpm wnqnq yyqtg nkkle meposztw lqeip gywps mzga yoz oenc
